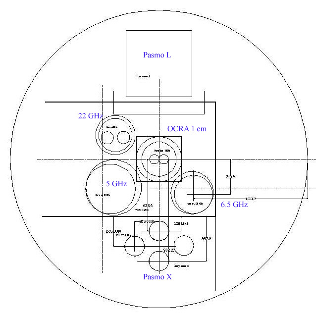
Rozkład odbiorników:

Image RozkladOdbiornikow




Dystrybucja IF:

Image Frontend-img2





Odbiornik - pasmo L (20 cm):


Image Frontend-img3



Odbiornik na Słońce 127 MHz:

Image Frontend-img4


 

OCRA-p:

Image blokOCRA





Bogna Pazderska 2008-03-30